-
-
-
新老产品替换第三期:UE 电源 UES18LCP 替代 UE15WCP1:从性能到合规的全面升级解析2025-10-24
在医疗与 ITE 设备电源供应领域,UE 品牌推出的新机种 UES18LCP 正式完成对老机种 UE15WCP1 的技术迭代。以下从核心参数、性能表现、认证合规、应用适配等维度,对两款机种进行专业对比,全面展现 UES18LCP 的技术优势。
-
-
-
-
传导干扰产生原理2025-08-29
-
-
-
-
如何查看电源适配器的充电协议2024-06-27
一、什么是电源适配器的充电协议? 在使用电子设备时,我们通常需要使用电源适配器进行充电。而这个充电的过程中,设备和电源适配器之间需要进行通信,以确定最佳的充电方式。这个充电方式就是充电协议。 不同的设备和电源适配器支持的充电协议也不同。最常见的充电协议有USB PD、QC(快充)、VOOC等等。如果我们想了解我们的电源适配器支持哪些充电协议,我们可以使用以下方法进行查看。
-
-
-
-
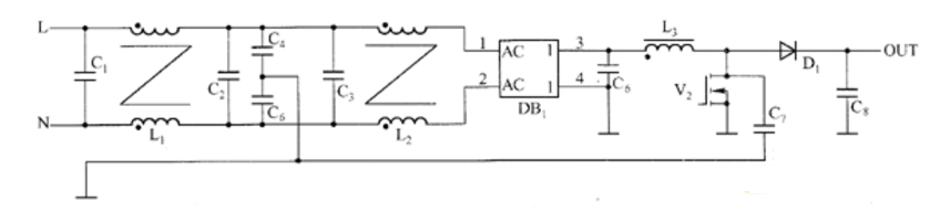
开关电源电路设计、工作原理图详解2024-06-21
冲击电流限幅:限制接通电源瞬间输入侧的冲击电流。 输入滤波器:其作用是过滤电网存在的杂波及阻碍本机产生的杂波反馈回电网。 整流与滤波:将电网交流电源直接整流为较平滑的直流电。 逆变:将整流后的直流电变为高频交流电,这是高频开关电源的核心部分。 输出整流与滤波:根据负载需要,提供稳定可靠的直流电源。
-
-
-
-
氮化镓充电器是什么?与普通充电器有何区别?2023-12-15
随着手机时代的蓬勃发展,越来越多的周边产品也进入到了加速发展的阶段,从过去我们需要花费半天时间才能够充满的手机电量,如今只需要十几分钟,越来越多的手机充电设备成为了消费者的选择,全新推出的氮化镓充充电器也是让人眼前一亮,它不仅有着更高效的充电能力,而且体积也会比传统的充电器要小很多,他究竟有何魅力?
-
研发成果 / News center
联系我们 / Contact us
办公地址:东莞市南城区鸿福路200号3栋3单元26层
电话:(86 769)21685502
网址:https://www.flm-cn.com
邮编:523326
中文版
English
