The principle of conduction interference generation
The conducted interference of the switching power supply propagates outward through the input power line, including both differential mode interference and common mode interference. The test frequency range for conducted interference is 0.15 to 30kHz.
Within the frequency range of 0.15 to 1MHz, interference mainly exists in the form of common mode. Within the frequency range of 1 to 10 MHZ, the forms of interference coexist with differential mode and common mode. Above 10 MHZ, the form of interference is mainly common mode.
I. Differential Mode Interference
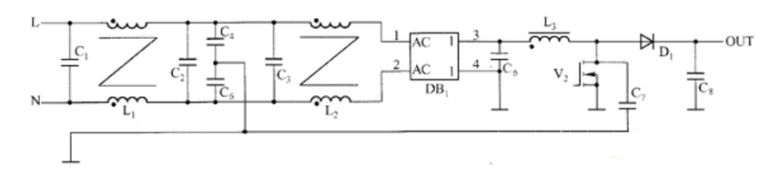
The generation of differential mode interference is mainly due to the switching tube operating in a switching state. When the switching tube is turned on, the current flowing through the power line rises linearly. When the switching tube is turned off, the current suddenly drops to zero. Therefore, the current flowing through the power line is a high-frequency triangular pulsating current, containing rich high-frequency harmonic components. As the frequency increases, the amplitude of these harmonic components becomes smaller and smaller. Therefore, the differential mode interference decreases as the frequency increases. The filter circuit of the output loop is shown in the figure. Capacitor C6 and inductor L3 form a low-pass filter, and differential mode conducted interference mainly exists in the low-frequency band

II. Common-mode Interference
The main cause of common-mode interference is the existence of distributed capacitance between the power supply and the ground (protected ground). The high-frequency harmonic components of the square wave voltage in the circuit are transmitted to the ground through the distributed capacitance, forming a circuit with the power line and generating common-mode interference.
As shown in the figure, L and N are the power inputs, C1, C2, C3, C4, C5, L1, and L2. The input EMI filter is composed of DB1 as the rectifier bridge and V2 as the switching tube. The switching tube is installed on the heat sink, and the D terminal of the switching tube is connected to the heat sink, forming a coupling capacitor between them. As shown in G7 in the figure, the switching tube V2 operates in the switching state, and the voltage at its D terminal is a high-frequency square wave, with the frequency of the square wave being the switching frequency of the switching tube. The harmonics in the square wave will form a circuit through the coupling capacitor, L and N power lines, generating common-mode interference.
The distributed capacitance between the power supply and the ground is relatively scattered and difficult to estimate. However, from the diagram, it can be seen that the coupling capacitance between the D terminal of the switch tube V2 and the heat sink has the greatest effect. The voltage frequency from DB1 to the inductor L3 is 100Hz, while the voltage of the connection between L3 and D1 and the D terminal of V2 is all square wave voltage, containing a large amount of high-order harmonics. Secondly, the influence of L3 is also relatively significant. However, the distance between L3 and the casing is quite far, and the distributed capacitance is much smaller than the coupling capacitance between the switch tube and the heat sink. Therefore, we mainly consider the coupling capacitance between the switch tube and the heat sink.

Information center
Contact us
Address: No.200, Hongfu Road, Nancheng District, Dongguan City, China
Tel:(86 769)21685502
Email:flm01@flm-cn.com
Website:http://www.flm-cn.com
Zip Code:523326
中文版
English
